全部分类
舍弗勒 INA GRAE15-NPP-B 外球面球轴承
收藏

舍弗勒 INA GRAE15-NPP-B 外球面球轴承

外球面球轴承GRAE..-XL-NPP-B;新型号:GRAE15-XL-NPP-B

售价
登录可见 / 套
0销量
INA

INA

INA轴承是德国的品牌,隶属于舍弗勒集团。该品牌成立于1946年,总部位于德国纽伦堡,专注于滚动轴承和直线运动产品的设计、生产和销售。

优惠券
满5000减100
满1000减20
  • 100 满5000减100

    全场适用

  • 20 满1000减20

    全场适用

可选规格
  • 出库执行
    出库时间
    售价
    库存
    产地及备注
    购买数量
  • 华东9N仓
    周一~周六/截单:17:15:00
    ¥登录可见
    10
    暂无
    - +
已选 0 0
金额: ¥0.00
  • 您当前的产品型号: 您当前的产品型号
  • 密封: NPP NPP
  • 外表面形状: B B
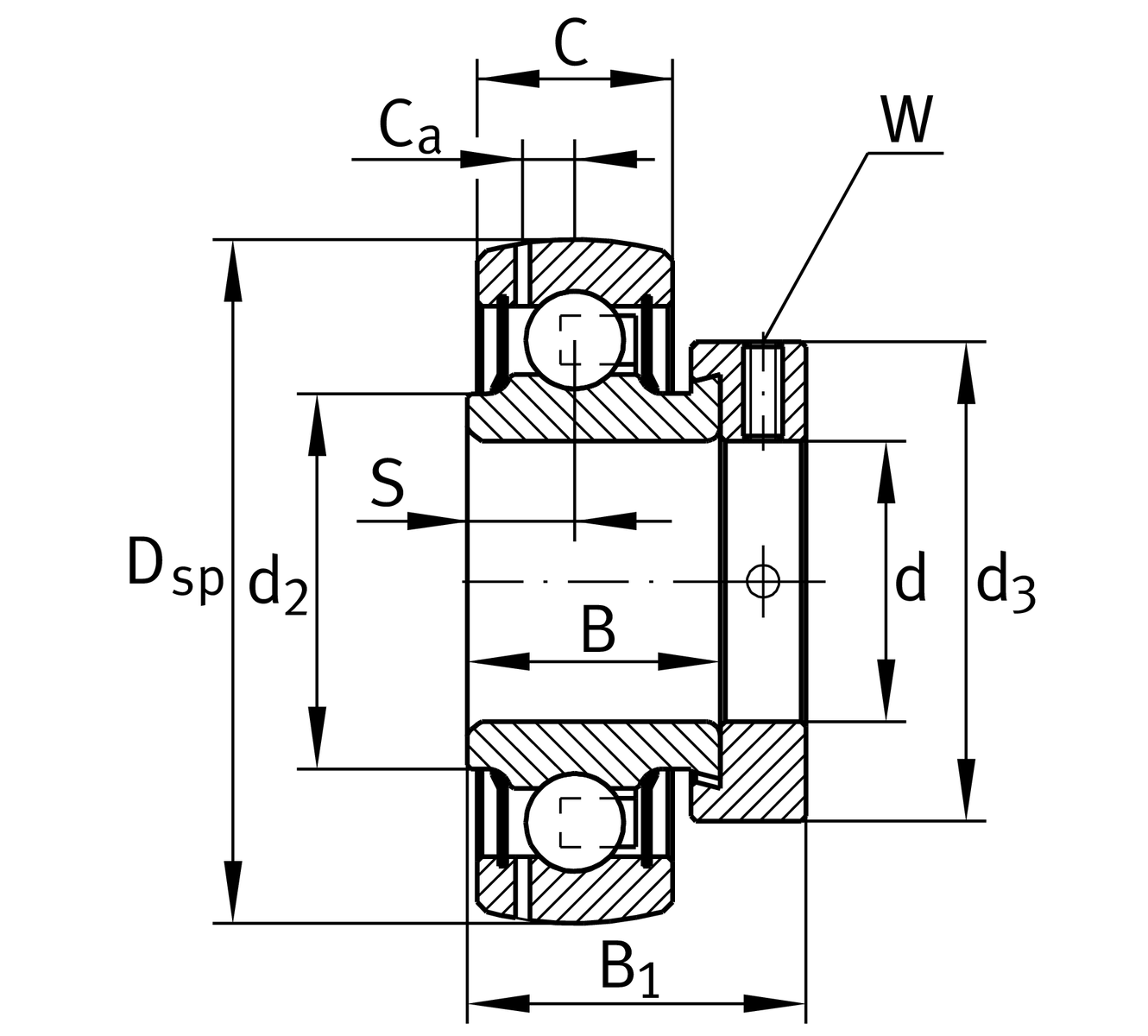
  • 主要尺寸和性能数据:
  • d: 15mm
  • DSP: 40mm
  • B: 19mm
  • B1: 28.6 mm
  • nG: Grease 22,300 r/min
  • Cr: 9,800 N
  • C0r: 4,750 N
  • Cur: 248 N
  • ≈m: 0.11 kg
  • 尺寸:
  • C: 12 mm
  • S: 6.5 mm
  • d2: 23 mm
  • Ca: 3.4 mm
  • d3: 28.4 mm
  • W: 3 mm
  • 计算因素:
  • f0: 13
  • GRAE15-NPP-B
    问贝
    温馨提示 ×
    商品已成功加入购物车!
    购物车共 0 件商品
    去购物车结算
    微信 ×

    打开微信,点击底部的“发现”

    使用“扫一扫”即可将网页分享至朋友圈