全部分类
收藏

热门 舍弗勒 INA DRS75185 密封组件

密封载体组件DRS,适合ZARF,ZARF..-L,带整体式旋转轴密封;旧型号:DRS 75185

售价
登录可见 / 套
0销量
INA

INA

INA轴承是德国的品牌,隶属于舍弗勒集团。该品牌成立于1946年,总部位于德国纽伦堡,专注于滚动轴承和直线运动产品的设计、生产和销售。

优惠券
满5000减100
满1000减20
  • 100 满5000减100

    全场适用

  • 20 满1000减20

    全场适用

可选规格
  • 出库执行
    出库时间
    售价
    库存
    产地及备注
    购买数量
  • 华东1XR仓
    周一~周五/截单:17:00:00
    ¥登录可见
    2
    暂无
    - +
  • 华东V8仓
    周一~周五/截单:17:00:00
    ¥登录可见
    10
    产地进口,货期2周
    - +
已选 0 0
金额: ¥0.00
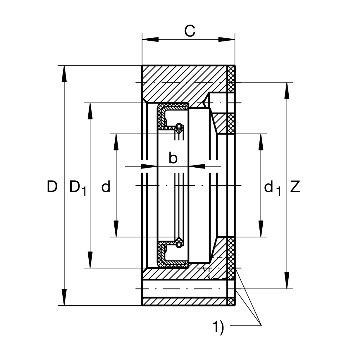
  • 主要尺寸和性能数据:
  • d1: 135 mm
  • D: 185mm
  • C: 36 mm
  • ≈m: 2.42 kg
  • 尺寸:
  • Z: 172.5 mm
  • d: 135mm
  • D1: 160 mm
  • b: 15mm
  • M5X50:
  • 1): 4
  • 附加信息:
  • ZARF75185(-L)-TV:
  • DRS75185
    问贝
    温馨提示 ×
    商品已成功加入购物车!
    购物车共 0 件商品
    去购物车结算
    微信 ×

    打开微信,点击底部的“发现”

    使用“扫一扫”即可将网页分享至朋友圈